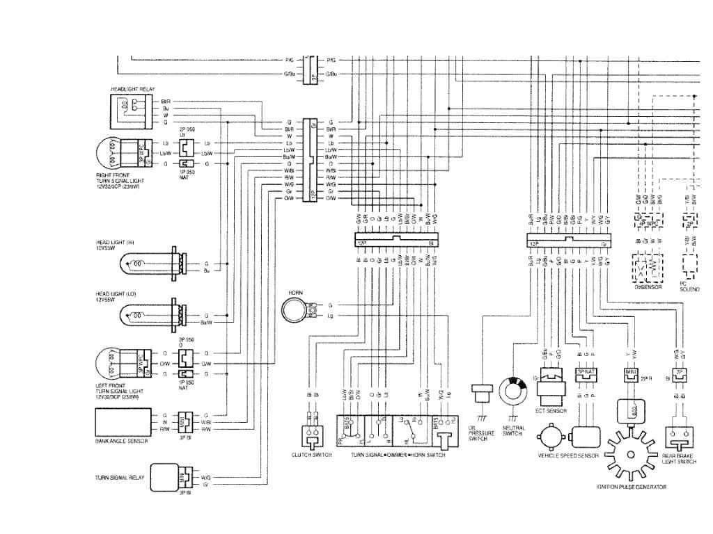
2002 Honda Cbr 600 F4i Wiring Diagram Honda Cbr 600 F2 Wiring Diagram
Honda cbr 600 f2 wiring diagram. Need an ecu wiring diagram for cbr 600 f4. 2002 honda cbr 600 f4i wiring diagram
2002 honda cbr 600 f4i wiring diagram
Download PDF
F4i cbr


Wiring 600rr troubles. 1994 honda cbr 600 f2 wiring diagram. F4i stuntlife. Wiring diagram cbr 600 honda 2001 f4i f4 electrical
2002 Honda Cbr 600 F4i Wiring Diagram - Wiring Schema
Unusual Cbr 600 Wiring Diagram Charger Photos Electrical Circuit Best
2002 Honda Cbr 600 F4I Wiring Diagram Collection - Wiring Diagram Sample
2005 Honda Cbr1000rr Wiring Diagram - Wiring Diagram
Honda Cbr 600 F2 Wiring Diagram | Cbr 600, Cbr, Honda cbr

Komentar
Posting Komentar